






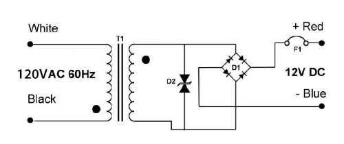
This Class 2 Compliant and energy efficient dimmable led driver has the highest efficiency with no wattage derating 100% load. Made in the USA. These drivers will do more than power your LEDs they will make your design dreams into realities. This 100 watt dimmable power supply is certified for its efficiency and durability: ETL, CSA Listed, UL Standard 120 V A/C input. 12V DC OUTPUT Magnitude's AR-Series (auto-reset) of dimmable magnetic DC drivers are built especially for LED systems. They provide the following benefits: Compatibility - There are no minimum load requirements when used with a dimmer. The drivers cause no flicker or any of the other side effects that can result from a lack of synchronization between voltage mode drivers and PWM low voltage drivers in the light fitting. Perfect Dimming - Fully compatible with low voltage dimmers, in contrast to voltage mode drivers that balance the voltage in the system and prevent the dimmer from working. Lower Power Consumption - Bring about an improvement in efficiency of 15%, due to the avoidance of unnecessary double conversion in the circuitry. Compatible with the following low voltage magnetic analog dimmers: Lutron Ariadni Dimmer AYLV-603P AYLV-600P Lutron Vareo Dimmer V-1000 V-600-S VETS-1000-CSA VETS-R VETS-1000-SL-S Lutron Nova Dimmer NTLV-1000 NTLV-1500-S NTLV-1503P NTLV-603P NTLV-603P-CSA NTLV-1003P-S NT-3PS-CSA NT-4PS-CSA NT-1PS-CSA Lutron Ceana Dimmer CNLV-603P Lutron Diva Dimmer DVLV-103P DVSCLV-603P DVLV-103P-S DVLV-603PH-S DVLV-600P DVSCLV-600P DVLV-10PH-S SC-3PS SC-1PS SC-4PSNL Lutron Glyder Dimmer GLV-600 Lutron Lyneo Dimmer LXLV-103PL LXLV-600PL Lutron Nova T Dimmer NTLV-1500 NTLV-600 Lutron Skylark Dimmer SLV-603P SLV-600P Leviton Illumatech Dimmer IPM06-1LZ Leviton Mural Dimmer MDM06-1LI MDM10-1LI Leviton SureSlide Dimmer 6613-PLT 6613-PLA Leviton ToggleTouch Dimmer TGM10-1LI TGM10-1LT Leviton Vizia Dimmer VPM06-1LZ
Trustpilot
1 month ago
2 months ago